Silniki spalinowe

- najlepsze propozycje

Opis i specyfikacja

Chcemy przedstawić Państwu silnik spalinowy marki Grunwelt w standardzie Euro 5. Dzięki nowym technologiom byliśmy w stanie osiągnąć wyższy standard silnika i stać się liderami na rynku europejskim.
Silnik benzynowy Grunwelt GW210 o mocy 7 KM jest wyrobem znanego producenta i importera sprzętu spalinowego, GRUNWELT. Silniki tego producenta charakteryzuje wysoka jakość użytych materiałów, oraz wykonania, niezawodność i długa żywotność. GRUNWELT tworząc silniki o większej mocy projektuje je od samego początku, w przeciwieństwie do innych producentów, którzy jedynie powiększają elementy. Dodatkowym atutem tych silników jest produkcja i montaż wszystkich elementów w jednej fabryce. 
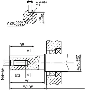
Charakteryzuje go niski poziom hałasu, mniejsze wibracje, oraz niższe emisje spalin bez utraty mocy i wydajności. Został również wyposażony w czujnik oleju w celu zapobiegnięcia awarii silnika. Idealny do pracy w cięższych warunkach. Silnik posiada wałek z klinem o średnicy 20mm 
Dodatkowym atutem wpływającym na żywotność oraz odporność podczas pracy pod obciążeniem jest tuleja cylindra, która została wykonana z żeliwa.
Jest to urządzenie wytrzymałe, które sprawdza się jako część zamienna w maszynach rożnych producentów, w tym między innymi firm takich jak: Honda, Robin-Subaru, Briggs & Stratton, Kohler, Holida, Pezal, Loncin, Kipor, Zipper czy Kaltmann.
Silnik spalinowy GW460E  jest wykorzystywany w maszynach rolniczych, ogrodniczych i budowlanych. Bywa także stosowany jako napęd w agregatach prądotwórczych, motopompach, zagęszczarkach i gokartach.