Wentylatory przemysłowe

- najlepsze propozycje

Opis i specyfikacja


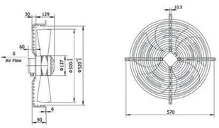
Wentylator przemysłowy osiowy YWF-4E-500S-137/35-G - ssący   Wydajność: 7155m3/h
Moc: 380W
Prędkość obrotów: 1320 Obr/min

W zestawie: Regulator obrotów 3A - 5 biegów.
ZASTOSOWANIE Wentylatory osiowe z serii YWF przeznaczone są do montażu naściennego, w celu wentylacji pomieszczeń komercyjnych, takich jak: sklepy, bary, pomieszczenia sanitarne, biurowe jak również pomieszczeń przemysłowych m.in. hal produkcyjnych, magazynów i warsztatów. BUDOWA
  • Obudowa wykonana z stalowej blachy malowanej proszkowo.
  • Wentylatory YWF o średnicy 250, 300, 350, 400, 450, 500, 550, 630 posiadają silniki jednofazowe.
  • Urządzenia posiadają wyłącznik termiczny oraz kondensator.
  • Siatka ochronna wykonana jest z drutu stalowego w celu zmniejszenia hałasu i zapewnienia bezpieczeństwa.