Wentylatory przemysłowe

- najlepsze propozycje

Opis i specyfikacja


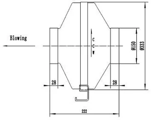
Wentylator kanałowy LXFB2E220/44-P92/25-G150   Wydajność: 720m3/h
Moc: 85W
Prędkość obrotów: 2460 Obr/min

W zestawie: Regulator obrotów 0,6A - 5 biegów.
ZASTOSOWANIE Wentylatory z serii LXF przeznaczone są do montażu kanałowego, w celu wentylacji, ogrzewania jak również chłodzenia pomieszczeń komercyjnych takich jak: sklepy, bary, pomieszczenia sanitarne, biurowe oraz do pomieszczeń przemysłowych m.in. hal produkcyjnych, magazynów i warsztatów. Nadają się również do użytku domowego. BUDOWA
  • Obudowa wykonana z stalowej blachy ocynkowanej.
  • Wentylatory LXF o średnicy 100, 125, 150, 160, 200, 250, 315 posiadają silniki jednofazowe.
  • Urządzenia posiadają wyłącznik termiczny oraz kondensator.