Oferty
(1)Pozostałe oferty od najtańszej
Opis i specyfikacja
To jest wersja przeciwwybuchowa.
DANE TECHNICZNE:
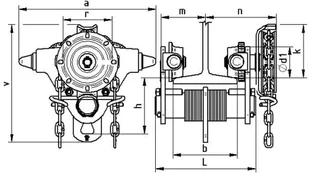
| nosność (t) | wymiary (mm) | I - skośna stopa belki I, PE, HEA, HEB, HEM | siła sterująca (N) | prędkość przesuwania (m/min)** | waga (kg) | ||||||||
|---|---|---|---|---|---|---|---|---|---|---|---|---|---|
| l | h | L | V | d1 | r | m | N | b | R | ||||
| 5 | 505 | 149 | 364 | 391 | 148 | 218 | 101-162 | 199-260 | 90-226 | 2800 | 350 | 1,8 | 54,7 |
b - szerokość stopy belki, R - minimalny promień toru jezdnego. * obliczono przy założeniu odwinięcia 30m łańcucha ręcznego na minutę. Łańcuch ręczny dla wszystkich nośności O 4×20 ** dla wózków o nośności 3,2-10t trzeba przy obciążeniu ciężarem bliskim nośności zapewnić obsługę przez dwie osoby.
Wózek suwnicowy jednobelkowy o nośności 1t, 1,6t, 3,2t, 5t, 7,5t oraz 10t skonstruowany został do poziomego przesuwania po profilach trawersu nośnego. Jest przeznaczony przede wszystkim do zawieszania ręcznych podnośników o odpowiedniej nośności jak też dowolnych wciągników stacjonarnych z napędem ręcznym, pod warunkiem
dostosowania udźwigu wózka do udźwigu wciągnika. Obciążenie nie może przekroczyć podanej dopuszczalnej nośności.
Właściwości:
- wszystkie części wciągnika wykonane są ze stali i żeliwa,
- prosta konstrukcja i obsługa,
- możliwość dostosowania do określonej szerokości belki jezdnej przez regulację rozstawu kół,
- ocynkowane łańcuchy napędowe,
- wyposażony w zderzak bezpieczeństwa,
- koła jezdne łożyskowane na łożyskach tocznych,
- możliwość montażu na profilach ,,skośnych" - ,,I" , a także na ,,prostych": IPE, HEA, HEB,HEM,
- standardowa wysokość podnoszenia 3 m, inna na zamówienie,
- zakres udźwigu(t): 1,0; 1,6; 3,2; 5,0; 7,5; 10,0,
- konstrukcja wózka odpowiada wymaganiom określonym przez Dyrektywę Parlamentu Europejskiego oraz Rady Europy 2006/42/ES.
Zastosowanie:
- służy do przemieszczania ciężarów w strefie toru wciągnika,
- jako część serwisowych urządzeń dźwigowych do prac montażowych i konserwacyjnych w urządzeniach technologicznych wszelkiego rodzaju,
OPCJA (opcja można dokupić):
Dodatkowy metr podnoszenia na zamówienie.
Firma jest jednym z głównych w Polsce producentów i dostawców osprzętu dźwignicowego. Posiadamy w swojej ofercie ponad 300 produktów, które poradzą sobie z każdym wyzwaniem.
Promocja! "Dostawa gratis na terenie całego kraju"
Czyli dostarczamy bezpłatnie ten towar w dowolne miejsce w Polsce.
"Większość towarów wysyłamy w ciągu 24H, po sprawdzeniu stanu magazynowego!"
Po zamówieniu (w godzinach pracy) magazynierzy sprawdzają, czy zamówiony towar jest w magazynie, odpowiadają e-mailem lub telefonicznie.





